VERON afdeling Friese Wouden
Afdelingsblad 'CQ Friese Wouden'
door PA3BWZ
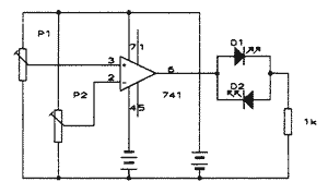
De opamp versterkt het spanningsverschil tussen de beide
ingangen. Is de niet inverterende spanning hoger dan de inverterende, dan wordt
de uitgangsspanning positief en brandt de ene led. Wordt het geheel omgedraaid,
dus de uitgang negatief, dan brandt de andere led. We hebben hiermede dus een
comparator schakeling gekregen.

Fig. 1
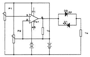
U zult bemerken, dat het in deze schakeling eigenlijk niet
mogelijk is, om beide led's gelijktijdig te laten branden. De versterking is
namelijk te groot, waardoor het geringste spanningsverschil (enkele microvolts
bijv.) al enkele volts op de uitgang zet. Door een weerstand te plaatsen tussen
de niet inverterende ingang en de uitgang wordt het gedrag van de schakeling be‹nvloed
(Zie figuur 2). De twee omschakel punten komen namelijk verder uit elkaar te
liggen. Zodra de niet ge‹nverteerde spanning iets boven de ge‹nverteerde
spanning stijgt, dan wordt de uitgangsspanning hoog en door de weerstand trekt
die spanning nog verder omhoog. Dit noemt men meekoppeling.
Hierdoor is het nu in ieder geval niet mogelijk om beide led's
gelijktijdig te laten branden. Nu een praktische toepassing.
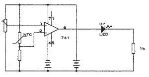
Temperatuurindicator
Zoals we in Fig.3 zien is de potmeter vervangen door een
spanningsdeler, bestaande uit een NTC en een weerstand. De meekoppel weerstand
is hier niet beslist nodig.

Fig. 2

Fig. 3
Zodra de temperatuur stijgt, wordt de weerstand van de NTC
lager en de spanning op de ingang stijgt. Als deze spanning nu hoger wordt, dan
de door de instelpot ingestelde drempel, dan gaat de led branden. Met deze
schakeling kunnen we dus apparatuur of iets anders bewaken, waarvan de
temperatuur niet boven een bepaalde waarde mag komen. Door nu de spanningsdeler
om te draaien, dat wil zeggen, de NTC aan de 0V kant en de weerstand aan de plus
kant, dan gaat de led branden, als de temperatuur van de NTC daalt. Deze
schakeling kan dan dus als basis fungeren voor de besturing van een
verwarmingsinstallatie.
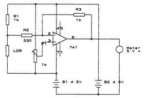
Vervangen we nu de NTC door een LDR, een lichtafhankelijke
weerstand, dan kunnen we installaties ontwerpen, die afhankelijk zijn van de
lichtsterkte. Ook hier weer in dalende of stijgende zin. We kunnen hierbij
denken aan het inschakelen van een of meer lichtpunten in huis, als het donker
wordt, terwijl je zelf afwezig bent. Bij deze opstellingen is het wel beter de
mee- of tegenkoppel weerstand op te nemen. Het pendelen wordt hierdoor
tegengegaan. Door op de uitgang een voltmeter aan te sluiten kunnen we een
belichtingsmeter maken.

Fig.4
Wanneer de uitgangsspanning door een grotere lichtsterkte op
de LDR gaat stijgen, wordt via R3 naar de inverterende ingang de spanning over
de LDR weer omhoog getrokken.Hierdoor wordt het spanningsverschil tussen 2 en 3
van de opamp kleiner. De versterking wordt dus schijnbaar lager. We noemen R3
dan ook tegenkoppelweerstand.
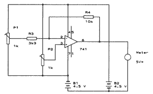
Wat zijn nu de invloeden van de voorschakelweerstand en de
tegenkoppelweerstand in de schakeling. De twee weerstanden vormen een
spanningsdeler tussen de meetspanning over de LDR en de uitgangsspanning.
De opamp neemt praktisch geen stroom op, dus zullen de
spanningen zich verhouden als de weerstanden. Even wat rekenwerk. Stel de
spanning over R2 en R3 is 2V en R3 is driemaal R2. Dus V(R3) = 1.5 V en V(R2) =
0.5 V.Dit kan je nagaan, door de spanningsdeler R2/LDR te vervangen door een
instelpot P1. P2 zo instellen, dat de spanning 0V is en P1 -1V. Op de uitgang
moet nu ca 3V staan.

Fig.5
De opamp is niet in de begrenzing gegaan, maar waarom niet?
Omdat de voorwaarden niet aanwezig waren. Zou de uitgangsspanning namelijk
stijgen tot ongeveer 4.5V, dan zal de inverterende ingangsspanning ongeveer
+1.4V zijn, of wel circa 1.5V meer dan de niet inverterende ingang. Volgens de
regels van de opamp zou de uitgangsspanning nu -150000V moeten worden. Dat is
natuurlijk niet mogelijk, zelfs een negatieve spanning, van welke grootte dan
ook, is onmogelijk. Een tegengekoppelde opamp zal dan ook steeds proberen om de
ingangsspanningen op het zelfde niveau te houden.
(wordt vervolgd)
73, Jan - PA3BWZ