VERON afdeling Friese Wouden
Afdelingsblad 'CQ Friese Wouden'
van transmissielijnen
door PAoZH
In de artikelen over 160 m antennes heb ik reeds een pi-filter
beschreven voor aanpassingen van transmissielijnen. Echter er bestaan nog een
paar types, die ik u niet wil onthouden.
Bedenk echter wel, dat het altijd nog het beste is, om je (draad)antenne
zo te construeren, dat je voedingspunt 50 Ohm is, met andere woorden, dat je er
zo direct elke willekeurige lengte coax aan kunt knopen.
Wil je echter een dipool van 2x40 m draad ook gaan gebruiken
voor 80 en 40 meter, en wil je ook nog met coax voeden in plaats van een
kippeladder, dan zijn onderstaande ontwerpen hiervoor uitstekend geschikt.

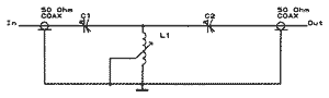
figuur 1
Dit is een zogenaamd T-filter, bestaande uit C!, C2 en L1.
Even een praktische beschrijving. C1 en C2 zijn beide 500 pF, voor 80 tot en met
10 meter. Wil je ook 160 meter af kunnen stemmen, neem dan C's van 1000 pF of
schakel C's parallel.
L1 bestaat uit plusminus 20 windingen met een diameter van 60
mm van koperdraad van 2-3 mm dik, spatie ca 2 mm. Bepaal eerst de lengte van de
coax, die je aan je antenne hangt en stem dan met C1/C2 en L1 af op minimale SWR.
Voor L1 kan je ook een rolspoel nemen en die later vervangen door een spoel met
een keuze schakelaar.
De plaatafstand van C1 en C2 moet bij 100 Watt plusminus 5 mm
bedragen, tevens moeten C1 en C2 gesoleerd opgesteld worden. Ook de afstemasjes
van kunststof maken !!!!! Dit zijn dan tevens de nadelen van deze constructie,
de plaatafstand en de gesoleerde opstelling. Deze nadelen kunnen ondervangen
worden met een schakeling zoals in figuur 2 is weergegeven.

Figuur 2
L1 en L2 zijn gelijk aan L1 uit figuur 1 en C1 is een
afstemcondensator van 3x500 pF uit een omroepdoos. Voor gebruik op 160 meter kan
het nodig zijn om aan deze afstemcondensator nog 1000 pF parallel te schakelen.
De afregelprocedure is als volgt: Kies met L1 en L2 (eventueel
weer tijdelijk rolspoelen) en C1 de minimale SWR waarde en markeer deze posities
op het front. L1 en L2 later voorzien van keramische keuze schakelaars voor
afstemming op 160, 80 en 40 meter.
Succes met de bouw en voor vragen ben ik QRV op de back-up
frequentie voor DX-verkeer, 144,812,5 MHz.
73, Bouke - PAoZH