VERON afdeling Friese Wouden
Afdelingsblad 'CQ Friese Wouden'
door Jeroen Vreuls
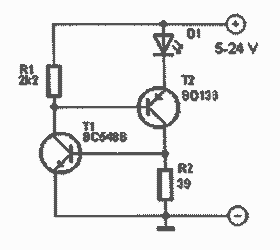
Een LED heeft normaal een voorschakelweerstand nodig om ervoor
te zorgen dat er door de LED niet teveel stroom gaat lopen. Het nadeel van zo'n
weerstand is dat de stroom door de LED en dus ook de helderheid verandert als de
spanning verandert.

Deze schakeling voorkomt dat, door onafhankelijk van de
spanning, een constante stroom door de LED te sturen. De schakeling werkt met
twee transistoren en twee weerstanden. De schakeling kan aangesloten worden op
spanningen tussen 5 en 24 volt.